![]() ![]() | ![]() | ||
If you are not able to carry out your job, it may be that the machine is being used by another function.
Wait until the current job is completed before trying again. In certain cases, you can carry out another job using a different function while the current job is being performed. Performing multiple functions simultaneously like this is called "Multi-accessing".
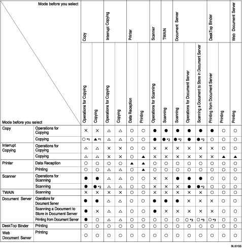
Combination Chart
Function Compatibility
The chart shows Function Compatibility when print priority is set to [Interleave]. For details about Print Priority, see "System Settings", General Settings Guide.
: Simultaneous operations are possible.
: Operation is enabled when the relevant function key is pressed and remote switching (of the scanner/external extension) is done.
: Operation is enabled when the [Interrupt] key is pressed to interrupt the preceding operation.
: Operation is performed automatically once the preceding operation ends.
: The operation must be started once the preceding operation ends. (Simultaneous operations are not possible.)

*1 Simultaneous operations are only possible after the preceding job documents are all scanned and [New Job] appears.
*2 You can scan a document after the preceding job documents are all scanned.
*3 Simultaneous operation becomes possible after you press [New Job].
![]()
If the machine is capable of executing multiple functions simultaneously, specify which function should have priority in "Print Priority". This setting is factory-preset to "Display Mode". For details about Print Priority, see "System Settings", General Settings Guide.
While printing is in progress, scanning a document using another function may take longer than usual.