Pas de afwijking aan.
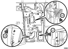
De multivouweenheid beschikt over drie aanpasbare schroeven (L1, L2 en L3) om de afwijking aan te passen.

L1

L2

L3

De schroeven passen de vouwafwijkingen van de volgende onderdelen aan:
Z-vouw

Halve vouw

Briefvouw naar binnen

Briefvouw naar buiten

Dubbele parallelle vouw

Venstervouw

Het
-teken geeft de bovenrand (ten opzichte van de toevoerrichting van het papier) aan en het
-teken geeft de onderrand aan.
<De vouwafwijking aanpassen>
Deze procedure geldt zowel voor L1, als voor L2 en L3.
Open het voorpaneel van de multivouweenheid.
Verwijder de bevestigingsschroef.
Als de bevestigingsschroef aan het aanpassingsschroefgat vastzit, maak deze dan los.
Draai de aanpassingsschroef om de afwijking aan te passen.
Om de lengte aan de onderkant van het papier te verhogen, draait u de schroef rechtsom.
Om de lengte aan de onderkant van het papier te verlagen, draait u de schroef linksom.

Bevestig de bevestigingsschroef om de aanpassingsschroef aan te draaien.
Als de bevestigingsschroef aan het aanpassingsschroefgat vastzit, draai deze dan aan.
Sluit het voorpaneel van de multivouweenheid.
![]()
Voor meerdere vellen-vouw wordt de vouwafwijking die in het midden van het papier wordt weergegeven, aangepast.
Als de afwijking groot is, kan het papier scheef worden. Voor meer informatie, zie Scheef papier.