![]() ![]() | ![]() | ||
Jeśli nie możesz wykonać zadania, może to być spowodowane tym, że urządzenie jest już zajęte wykonywaniem innej funkcji.
Odczekaj do zakończenia bieżącego zadania i spróbuj ponownie. W niektórych przypadkach, podczas wykonywania bieżącego zadania, można wykonać inne zadanie używając innej funkcji. Tego typu wykonywanie wielu funkcji jednocześnie określa się jako „jednoczesny dostęp do wielu funkcji”.
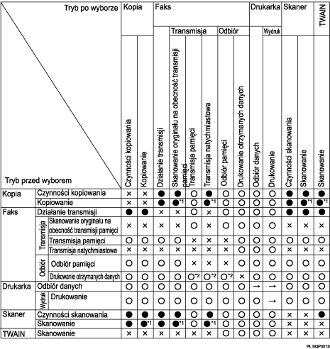
Schemat kombinacji
Zgodność funkcji
Tabela pokazuje zgodność funkcji przy opcji [Priorytet drukowania] ustawionej na [Naprzemiennie]. Aby uzyskać szczegółowe informacje o priorytecie drukowania, patrz Podręcznik ustawień sieciowych i systemowych.
: Można wykonywać kilka operacji w tym samym czasie.
: Operacja zostanie włączona, gdy naciśnięty zostanie odpowiedni przycisk funkcji i zostanie przeprowadzone zdalne przełączenie skanera.
: Operacja zostanie wykonana automatycznie po zakończeniu poprzedniej operacji.
: Operację można wykonać po zakończeniu poprzedzającej operacji. (Równoczesne wykonywanie operacji nie jest możliwe.)

*1 Dokument można skanować dopiero po zeskanowaniu dokumentów poprzedniego zadania.
*2 Podczas odbioru równoległego kolejne zadania zostaną zawieszone do chwili zakończenia odbioru.
![]()
Jeśli urządzenie może wykonywać kilka operacji jednocześnie, należy określić, które mają być wykonywane w pierwszej kolejności w polu „Priorytet drukowania". Ustawienie firmowe to [Wyświetl tryb]. Aby uzyskać szczegółowe informacje o priorytecie drukowania, patrz Podręcznik ustawień sieciowych i systemowych.
W czasie trwania drukowania skanowanie dokumentów za pomocą innej funkcji może zająć więcej czasu niż zwykle.