![]() ![]() | ![]() | ||
Se não for possível executar um trabalho, é provável que o equipamento esteja a ser solicitado por outra função.
Aguarde até o trabalho actual estar concluído antes de tentar novamente. Em alguns casos, pode realizar outro trabalho utilizando uma função diferente enquanto o trabalho actual está a ser executado. Efectuar várias funções em simultâneo denomina-se de "Acesso Múltiplo".
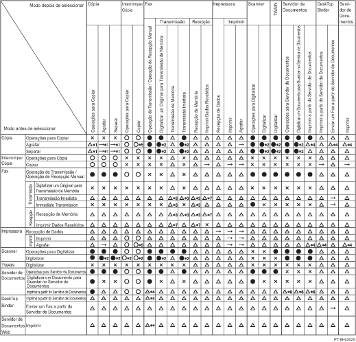
Tabela de Combinações
Compatibilidade de Funções
A tabela mostra a Compatibilidade de Funções quando a prioridade de impressão estiver definida para [Intercalar]. Para mais informações sobre a Prioridade de Impressão, consulte "Definições de Sistema", no Guia de Rede e Definições de Sistema.
: São possíveis operações simultâneas.
: A operação é activada quando a respectiva tecla de função é premida e a comutação remota (do scanner/extensão externa) é efectuada.
: A operação é activada quando a tecla [Interromper] é premida para interromper a operação anterior.
: A operação é efectuada automaticamente assim que a operação anterior termina.
: A operação tem de ser iniciada a partir do momento em que a operação anterior termina. (Não são possíveis operações simultâneas.)

*1 As operações simultâneas apenas são possíveis depois dos documentos do trabalho anterior terem sido digitalizados na totalidade e aparecer a tecla [Novo Trab.].
*2 Pode ler um documento depois dos documentos do trabalho anterior terem sido lidos.
*3 A operação é possível quando adicionar linhas adicionais.
*4 Durante a agrafagem, a impressão começa automaticamente a seguir ao trabalho actual.
*5 A agrafagem não está disponível.
*6 É possível efectuar operações simultâneas depois de premir a tecla [Novo Trab.].
*7 Durante a recepção paralela, qualquer trabalho subsequente é suspenso até que a recepção esteja completa.
![]()
Não é possível utilizar a agrafagem em simultâneo para várias funções.
Se o equipamento for capaz de executar várias funções em simultâneo, especifique a função que deve ter prioridade em "Prioridade impressão". Esta definição está predefinida de origem para "Modo de visualização". Para mais informações sobre Prioridade de Impressão, consulte "Definições de Sistema", no Guia de Rede e de Definições de Sistema.
Se estiver instalado no equipamento o finalizador opcional é possível especificar a bandeja de saída na qual os documentos serão entregues. Para obter detalhes sobre Definições da Bandeja de Saída, consulte "Definições de Sistema", Guia de Definições de Rede e Sistema.
Enquanto a impressão estiver a decorrer, a leitura de um documento efectuada através de outra função poderá demorar mais tempo.