Si vous ne pouvez pas exécuter un travail, il est possible que la machine soit utilisée par une autre fonction.
Attendez que le travail en cours soit terminé avant de réessayer. Dans certains cas, vous pouvez exécuter un autre travail avec une fonction différente pendant l'exécution du travail en cours. Exécuter plusieurs fonctions simultanément de cette manière est désigné par le terme "accès multiple".
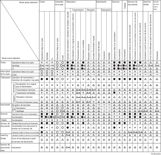
Graphique des combinaisons
Compatibilité des fonctions
Le graphique indique la compatibilité des fonctions lorsque la priorité d'impression est définie sur [Feuille de séparation]. Pour plus d'informations sur la priorité d'impression, consultez le Manuel de configuration du réseau et du système.
: les opérations simultanées sont possibles.
: l'opération est possible si vous appuyez sur la touche de fonction appropriée et effectuez la commutation à distance (du scanner/de l'extension externe).
: l'opération est possible si vous appuyez sur la touche [Interruption] pour interrompre l'opération précédente.
: l'opération est effectuée automatiquement à la fin de l'opération précédente.
: l'opération doit être démarrée à la fin de l'opération précédente. (les opérations simultanées ne sont pas possibles.)

Les opérations simultanées ne sont possibles qu'une fois que tous les documents précédents ont été numérisés et que la touche [Nouv. Trav.] s'affiche.
*2 Vous pouvez numériser un document une fois que tous les documents précédents ont été numérisés.
*3 L'opération est possible lorsque des lignes supplémentaires sont ajoutées.
*4 Lors de l'agrafage, l'impression démarre automatiquement une fois le travail en cours terminé.
*5 L'agrafage n'est pas possible.
*6 Les opérations simultanées sont possibles après avoir appuyé sur la touche [Nouv. Trav.].
*7 Lors d'une réception parallèle, tout travail ultérieur est suspendu tant que la réception n'est pas terminée.
![]()
L'agrafage ne peut pas être utilisé simultanément en cas de fonctions multiples.
Si l'appareil peut exécuter plusieurs fonctions simultanément, définissez la fonction à laquelle doit être affectée la priorité la plus élevée dans "Priorité Impress.". Par défaut, ce paramètre est défini sur "Mode d'affichage". Pour plus d'informations sur la priorité d'impression, consultez le Manuel de configuration du réseau et du système.
Lorsque le finisseur en option est installé sur l'appareil, vous pouvez choisir le réceptacle de sortie des documents. Pour plus d'informations sur les paramètres du réceptacle de sortie, consultez le Manuel de configuration du réseau et du système.
Pendant une impression, la numérisation d'un document à l'aide d'une autre fonction peut être plus longue.