![]() ![]() | ![]() | ||
Pokud se vám nedaří provést úlohu, může být příčinou jiná současně probíhající funkce.
Vyčkejte, dokud není úloha dokončena, a pokus opakujte. V některých případech je možné další úlohu uskutečnit i bez toho, aby bylo nutné rušit aktuálně probíhající úlohu. Provádění více úloh najednou se nazývá "Vícenásobný přístup".
![]()
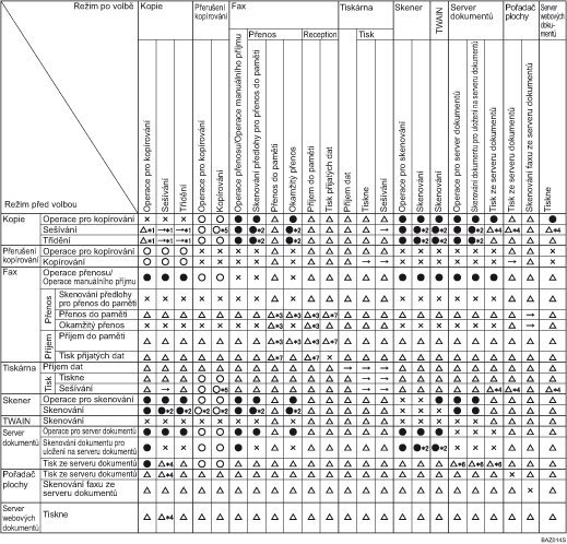
V následující tabulce jsou uvedeny kombinace funkcí dostupných při nastavení položky [Priorita tisku] na [Prokládání] v rámci nabídky [Všeobecné funkce].
Tabulka kombinací
Kompatibilita funkcí
: Simultánní operace jsou možné.
: Operace je povolena, když bylo stisknuto odpovídající funkční tlačítko a když se provádí dálkové spínání (skeneru nebo externího rozšiřovacího modulu).
: Operace je spuštěna při přerušení předchozí operace stisknutím tlačítka [Přerušení].
: Operace bude automaticky provedena po dokončení předešlé operace.
: Operace musí být po ukončení předchozí operace spuštěna. (Simultánní operace nejsou umožněny.)

*1 Současný průběh operací je možný jen po naskenování všech dokumentů předchozí úlohy a po zobrazení tlačítka [Nová úloha].
*2 Dokument můžete skenovat až po naskenování všech dokumentů předchozí úlohy.
*3 Operace je možná po přidání dalších linek.
*4 Při sešívání se tisk zahájí automaticky po skončení aktuální úlohy.
*5 Sešívání není dostupné.
*6 Současně probíhající operace budou dostupné po stisknutí tlačítka [Nová úloha].
*7 Během paralelních příjmů budou všechny následné úlohy odloženy, dokud příjmy neskončí.
![]()
Sešívání nelze používat pro více funkcí zároveň.
Pokud je zařízení schopné provést více funkcí najednou, pak v položce "Priorita tisku" specifikujte, která funkce bude mít přidělenou prioritu. Výchozí nastavení je "Režim zobrazení". Podrobnosti o prioritě tisku naleznete v příručce Průvodce obecnými nastaveními.
Když je na přístroji nainstalován finišer SR4010, finišer SR4020, finišer SR5000 nebo mailbox, můžete zadat výstupní zásobník, kam budou dokumenty doručovány. Podrobnosti o nastavení výstupního zásobníku najdete v Průvodci obecnými nastaveními.
Během tisku může snímání dokumentu pomocí jiné funkce trvat déle.