调节偏差。
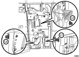
多页折叠单元有三个调节螺丝(L1、L2和L3)用于调节偏差。

L1

L2

L3

这些螺丝用于调节以下部位的折叠偏差:
Z形折叠

对折

信纸向内折叠

信纸向外折叠

双联折叠

门式折叠

符号表示前缘(相对于送纸方向),
符号则表示后缘。
<如何调节折叠偏差>
此过程对于L1、L2和L3完全相同。
打开多页折叠单元的前盖。
拆除安装螺丝。
如果连接了安装螺丝来调节螺丝孔,请将其松开。
旋转调节螺丝来调节偏差。
要加大纸张底部的长度,请按顺时针方向旋转螺丝。
要缩短纸张底部的长度,请按逆时针方向旋转螺丝。

连接安装螺丝以拧紧调节螺丝。
如果安装螺丝已连接到调节螺丝孔,请将其拧紧。
关闭多页折叠单元的前盖。
![]()
对于多页折叠,可调节纸张中心出现的折叠偏差。
如果偏差较大,纸张可能会倾斜。有关歪斜的详细信息,请参见《调整项目菜单指南》中的“高级设置中菜单项目的详细信息”。
