Ajuste la desviación.
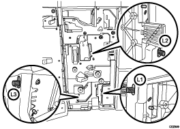
La unidad de plegado múltiple tiene tres tornillos de ajuste (L1, L2 y L3) para ajustar la desviación.

L1

L2

L3

Los tornillos ajustan las desviaciones en el plegado de las siguientes partes:
Plegado

Plegado por la mitad

Plegado de carta hacia dentro

Plegado de carta hacia fuera

Doble paralelo

Plegado en ventana

La marca
indica el borde anterior (respecto a la dirección de la alimentación del papel), y la marca
indica el borde posterior.
<Cómo ajustar la desviación en el plegado>
Este procedimiento es el mismo para L1, L2 y L3.
Abra la tapa frontal de la unidad de plegado múltiple.
Extraiga el tornillo de montaje.
Si el tornillo de montaje está atornillado en el agujero del tornillo de ajuste, desatorníllelo.
Gire el tornillo de ajuste para ajustar la desviación.
Para aumentar la longitud en la parte inferior del papel, gire el tornillo en la dirección de las agujas del reloj.
Para disminuir la longitud en la parte inferior del papel, gire el tornillo en dirección contraria a las agujas del reloj.

Coloque el tornillo de montaje para apretar el tornillo de ajuste.
Si el tornillo de montaje está colocado en el agujero del tornillo de ajuste, apriételo.
Cierre la tapa frontal de la unidad de plegado múltiple.
![]()
Para el plegado de varias hojas, se ajustará la desviación en el plegado que aparece en el centro del papel.
Si la desviación es grande, el papel puede inclinarse. Para más información sobre inclinación, consulte la Guía del menú de opciones de ajuste.
