Regolare la deviazione.
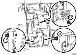
L'unità piegatura multipla dispone di tre viti di regolazione (L1, L2, and L3) per regolare la deviazione.

L1

L2

L3

Le viti regolano le deviazioni di piegatura delle parti seguenti:
Piegatura a Z

Piegatura a metà

Piegatura a lettera interna

Piegatura a lettera esterna

Parallela doppia

Piegatura a doppia anta

Il segno
indica il bordo principale (rispetto alla direzione di alimentazione della carta), mentre il segno
indica il bordo di coda.
<Come regolare la deviazione di piegatura>
Questa procedura è valida sia per L1 che per L2 e L3.
Aprire lo sportello anteriore dell'unità di piegatura multipla.
Rimuovere la vite di montaggio.
Svitare la vite di montaggio nel caso in cui sia fissata al foro della vite di regolazione.
Girare la vite di regolazione per regolare la deviazione.
Per aumentare la lunghezza nella parte inferiore della carta, girare la vite in senso orario.
Per diminuire la lunghezza nella parte inferiore del foglio, girare la vite in senso antiorario.

Fissare la vite di montaggio per bloccare la vite di regolazione.
Bloccare la vite di montaggio nel caso in cui sia fissata al foro della vite di regolazione.
Chiudere lo sportello anteriore dell'unità di piegatura multipla.
![]()
Per la piegatura di fogli multipli, verrà regolata la deviazione di piegatura che compare al centro della carta.
In caso di deviazione considerevole, la carta potrebbe risultare obliqua. Per ulteriori informazioni, vedere Carta obliqua.