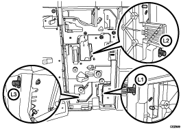
Ajustez l'écart.
L'unité de pliage multiple a trois vis d'ajustement (L1, L2 et L3) pour ajuster l'écart.

L1

L2

L3

Les vis ajustent les écarts de pliage des parties suivantes :
Pliage en Z

Pliage en 2

Pli de lettre intérieur

Pli de lettre extérieur

Double parallèle

Pli fenêtre

Le symbole
indique le bord de tête (par rapport au sens d'alimentation) et le symbole
indique le bord de queue.
<Comment ajuster l'écart de pliage>
Cette procédure est la même pour L1, L2, et L3.
Ouvrez le capot avant de l'unité de pliage multiple.
Enlevez la vis de montage.
Si la vis de montage est attachée au trou de vis de réglage, détachez-la.
Tournez la vis de réglage pour ajuster l'écart.
Pour augmenter la longueur sur la partie inférieure du papier, tournez la vis dans le sens horaire.
Pour diminuer la longueur sur la partie inférieure du papier, tournez la vis dans le sens antihoraire.

Attachez la vis de montage pour fixer la vis de réglage.
Si la vis de montage est fixée au trou de la vis de réglage, serrez-la.
Fermez le capot avant de l'unité de pliage multiple.
![]()
Pour le pliage multi-feuilles, l'écart de pliage qui apparaît au centre du papier sera ajusté.
Si l'écart est grand, le papier peut être déformé. Pour plus d'informations, reportez-vous à Désalignement du papier.