Die Abweichung anpassen.
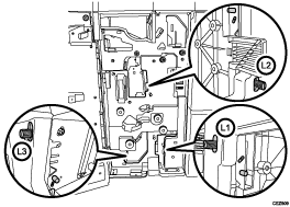
Die Mult-Falzeinheit hat drei Stellschrauben (L1, L2 und L3), um die Abweichung anzupassen.

L1

L2

L3

Mit den Schrauben werden folgende Falzabweichungen an den nachstehenden Teilen eingestellt:
Z-Falz

Einbruchfalz

Wickelfalz

Zickzackfalz

Doppelparallelfalz

Fensterfalz

Die Markierung
gibt die Vorderkante (relativ zur Papiereinzugsrichtung) an und die Markierung
die Hinterkante.
<Falzabweichung einstellen>
Dieser Vorgang ist für L1, L2 und L3 gleich.
Öffnen Sie die vordere Abdeckung der Multi-Falzeinheit.
Entfernen Sie die Befestigungsschraube.
Wenn die Befestigungsschraube am Einstellungsschraubloch befestigt ist, lösen Sie sie.
Drehen Sie die Stellschraube, um die Abweichung einzustellen.
Um den unteren Teil des Papiers zu verlängern, drehen Sie die Schraube im Uhrzeigersinn.
Um den unteren Teil des Papiers zu verkürzen, drehen Sie die Schraube gegen den Uhrzeigersinn.

Bringen Sie die Befestigungsschraube an, um die Stellschraube zu befestigen.
Wenn die Befestigungsschraube am Einstellungsschraubloch angebracht ist, ziehen Sie sie fest.
Schließen Sie die vordere Abdeckung der Multi-Falzeinheit.
![]()
Zum Falten mehrerer Blätter wird die Falzabweichung in der Mitte des Papiers angepasst.
Wenn die Abweichung groß ist, kann das Papier schief sein. Weitere Informationen siehe Papier-Schieflauf.