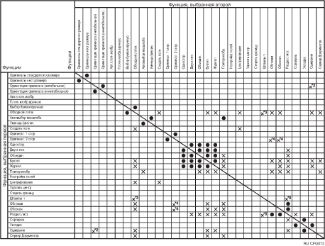
В приведенной ниже схеме совместного использования функций показаны режимы, которые могут использоваться вместе.
Пустое поле: Режимы можно использовать одновременно.
×: Эти режимы нельзя использовать одновременно. Активным будет первый выбранный режим.
: эти режимы нельзя использовать вместе. Активным будет второй выбранный режим.
Ниже приведены возможные комбинации функций:

*1 Штампы включают следующие параметры Фоновая нумерация, Задать штамп, Пользов. штамп, Штамп с датой и Нумерация страниц.
*2 Эти комбинации можно использовать только в том случае, если выбрана функция Автовыбор масштаба.
Ниже приведены недопустимые комбинации:
*3 Задать штамп, Пользов. штамп, Штамп с датой или Нумерация страниц с обходным лотком
*4 Лиц. обложка, Тыльн./Лиц.обл. или Обознач. с 2 стр.
1 стр.
*5 Фоновая нумерация с Раздел. лист