Se não for possível executar um trabalho, é provável que o equipamento esteja a ser solicitado por outra função.
Antes de tentar novamente, aguarde até o trabalho actual estar concluído. Em alguns casos, pode realizar outro trabalho utilizando uma função diferente durante a execução do trabalho actual. Efectuar várias funções em simultâneo como esta denomina-se "Acesso Múltiplo".
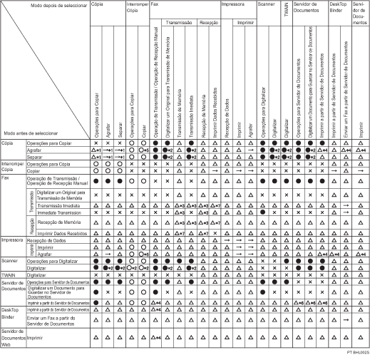
Tabela de Combinações
A tabela mostra a compatibilidade de funções quando a prioridade de impressão está definida para [Intercalar]. Para mais informações sobre a Prioridade impressão, consulte a Referência de Rede e de Definições de Sistema.
: São possíveis operações simultâneas.
: A operação é activada quando a respectiva tecla de função é premida e a comutação remota (do scanner/extensão externa) é efectuada.
: A operação é activada quando a tecla [Interromper] é premida para interromper a operação anterior.
: A operação é executada automaticamente assim que a operação anterior terminar.
: A operação deve ser iniciada assim que a operação anterior terminar. (Não são possíveis operações simultâneas.)

*1 As operações simultâneas apenas são possíveis depois dos documentos do trabalho anterior terem sido lidos na totalidade e aparecer a tecla [Novo Trab.].
*2 Pode ler um documento depois dos documentos do trabalho anterior terem sido lidos.
*3 A operação é possível quando adicionar linhas adicionais.
*4 Durante a agrafagem, a impressão começa automaticamente a seguir ao trabalho actual.
*5 A agrafagem não está disponível.
*6 É possível efectuar operações simultâneas depois de premir a tecla [Novo Trab.].
*7 Durante a recepção paralela, qualquer trabalho subsequente é suspenso até que a recepção esteja concluída.
![]()
A agrafagem não pode ser utilizada simultaneamente para várias funções.
A bandeja de alimentação manual não pode ser utilizada simultaneamente para várias funções. Também não é possível simultaneamente imprimir documentos utilizando a função de impressora e imprimir a partir da bandeja de alimentação manual utilizando outra função, se “Aplicar selecção auto papel (só impressora)” sob [Tipo de papel: Bandeja alim manual] em Ferramentas utiliz estiver definido como [Sim] e se “Bandeja de entrada” estiver definido como [Selecção automática de bandeja] no driver de impressão.
Se forem possíveis operações simultâneas, especifique a função que deverá ter prioridade em "Prioridade impressão". A predefinição é “Modo de visualização”. Para mais informações sobre a Prioridade impressão, consulte a Referência de Rede e de Definições de Sistema.
É possível especificar a bandeja de saída onde os documentos são ejectados (apenas o tipo 2). Para mais informações sobre as definições de bandeja de saída, consulte a Referência de Rede e de Definições de Sistema.
Enquanto a impressão estiver a decorrer, a leitura de um documento efectuada através de outra função poderá demorar mais tempo.