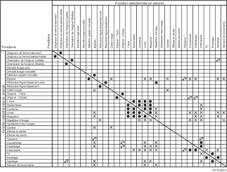
Le tableau de combinaisons donné ci-dessous indique les fonctions pouvant être utilisées simultanément.
Espace vierge : ces modes peuvent être utilisés simultanément.
x : Ces modes ne peuvent pas être utilisés simultanément. Le premier mode sélectionné correspond au mode que vous utilisez actuellement.
: ces modes ne peuvent pas être utilisés simultanément. Le deuxième mode sélectionné sera le mode que vous utilisez.
La combinaison des fonctions est la suivante :

*1 Les tampons comprennent la Numérot. arrière-plan, le Tampon prédéfini, le Tampon utilisateur, le Tampon date et la Pagination.
*2 Vous pouvez utiliser ces combinaisons uniquement si Réduct./Agrand. Auto est sélectionné.
Les combinaisons suivantes ne sont pas possibles :
*3 Tampon prédéfini, Tampon utilisateur, Tampon date ou Pagination avec le Bypass
*4 Couverture avant, Couv. avt/arrière ou Interfoliage avec 2 faces
1 face
*5 Numérot. arrière-plan avec Intercalaire