Se non è possibile eseguire un lavoro, la macchina potrebbe essere utilizzata da un'altra funzione.
Attendere fino al completamento del lavoro in corso prima di eseguire un altro tentativo. In alcuni casi, è possibile eseguire un altro lavoro utilizzando una funzione diversa durante l'esecuzione del lavoro in corso. L'esecuzione contemporanea di più funzioni viene definita "accesso multiplo".
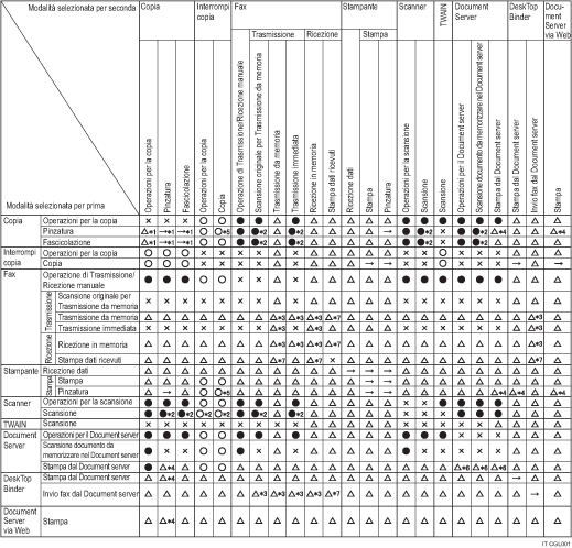
Tabella di combinazione
Compatibilità funzioni
Il grafico mostra la compatibilità delle funzioni quando [Priorità di stampa] è impostato su [Divisore]. Per dettagli sulla Priorità di stampa, vedere il Manuale delle impostazioni di sistema e di rete
.
: È possibile effettuare più operazioni contemporaneamente.
: L'operazione viene attivata quando il relativo tasto funzione è stato premuto ed è stata eseguita la commutazione remota (dello scanner o dell'estensione esterna).
: L'operazione viene attivata quando è stato premuto il tasto [[Interrompi]] per interrompere l'operazione precedente.
: L'operazione viene eseguita in modo automatico una volta terminata l'operazione precedente.
: L'operazione diventa possibile al termine dell'operazione precedente (non è possibile eseguire più operazioni simultaneamente).

*1 Operazioni contemporanee sono possibili soltanto una volta completata la scansione di tutti i documenti del lavoro precedente e quando appare [Nuovo lav.].
*2 È possibile acquisire un documento una volta completata la scansione di tutti i documenti appartenenti al lavoro precedente.
*3 L'operazione è possibile quando vengono aggiunte altre linee.
*4 Durante la pinzatura, la stampa viene avviata in modo automatico al termine del lavoro corrente.
*5 La pinzatura non è disponibile.
*6 Operazioni contemporanee diventano possibili dopo aver premuto il tasto [Nuovo lav.].
*7 Durante la ricezione parallela, qualsiasi lavoro successivo è sospeso fino a ricezione ultimata.
![]()
Non è possibile utilizzare la funzione di pinzatura contemporaneamente per più funzioni.
Se la macchina è in grado di eseguire contemporaneamente più funzioni, specificare quale funzione deve avere la priorità in "Priorità di stampa". L'impostazione predefinita è "Modo visualizzazione". Per dettagli sulla Priorità di stampa, vedere il Manuale delle impostazioni di sistema e di rete
.
Quando sono installati il finisher, il vassoio basculante interno o il vassoio interno 2, è possibile specificare il vassoio di uscita dove verranno consegnati i documenti. Per dettagli sulle impostazioni del vassoio di uscita, vedere il Manuale delle impostazioni di sistema e di rete
.
Durante una stampa, la scansione di un documento con un'altra funzione può richiedere più tempo del normale.
Le seguenti funzioni potrebbero non ottenere la priorità se si tenta di utilizzarle quando [Priorità di stampa] in [Impostazioni di Sistema] è impostato su [Stampante] e sono in stampa i file memorizzati nel Document server tramite la funzione stampante. Per rendere prioritarie queste funzioni, impostare [Priorità di stampa] su [Intermedio].
Mail to Print
Stampa dal driver della stampante
Stampa diretta da un dispositivo di memoria rimovibile