本节介绍日志打印的项目。

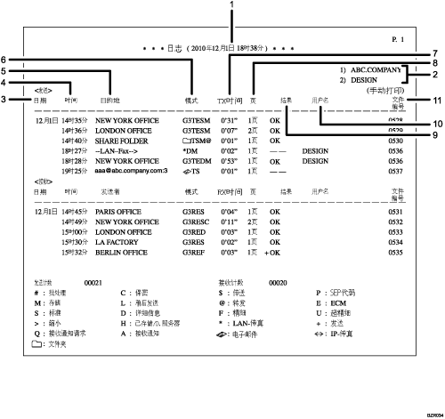
打印日期
显示报告的打印日期和时间。
已编入传真头
显示为打印而编入的发送者姓名。
日期
显示传送或接收的日期。
时间
显示传送或接收的开始时间。
目的地
对于传真目的地
显示对方编入的姓名(用于显示)。
如果未编入姓名(用于显示),则显示编入的传真号码。视发送者的设置而定,可能也不会显示传真号码。
如果对方既未编入姓名也未编入传真号码,则显示输入的传真号码或编入地址列表的姓名以表示传送目的地。
对于因特网传真/电子邮件目的地
在传送时,此处显示已编入地址列表中的电子邮件地址或姓名。在接收时,此处显示发送者的电子邮件地址。
在广播传送时,此处显示后跟目的地编号的电子邮件地址或目的地名称。
对于从计算机传送至本机的文件,此处显示“--局域网传真-->”。要检查文件是否已发送至接收者,请确认文件号是否相同。
对于IP-传真目的地
显示已编入地址列表中的IP-传真目的地或姓名。传真目的地的详细信息显示在接收报告中。
对于文件夹目的地
显示已编入地址列表中的姓名。
通讯模式
对于传真传送和接收
在线路类型之后,“T”代表发出传真,“R”代表接收传真,通讯模式以英文字母或符号形式显示。如果装有选购的额外G3接口单元,则会显示“G3-1”、“G3-2”或“G3-3”。
对于因特网传真/电子邮件传送和接收
在
(电子邮件标记)之后,“T”代表发出电子邮件,“R”代表接收电子邮件,通信模式以英文字母或符号形式显示。因特网传真目的地发出的文件由因特网传真接收,电子邮件目的地发出的文件由邮至打印接收。“Q”表示在“传送模式”中设有回执的发出电子邮件,而“A”则表示回执电子邮件。
对于IP-传真传送和接收
在
(IP-传真标记)之后,“T”代表发出传真,“R”代表接收传真,通讯模式以英文字母或符号形式显示。
对于文件夹目的地
在
(文件夹标记)之后,“T”代表发出传真,通讯模式以英文字母或符号的形式显示。
通讯时间
显示传送或接收花费的时间。
页数
显示传送或接收的页数。
通讯结果
显示传送或接收的结果。
OK:所有页均已正确传送或接收。使用“传送模式”激活回执时,显示回执的接收。经过路由的接收文件的结果前会有“
”。
--:因特网传真或电子邮件文件发送至编入本机的邮件服务器。(但是,这并不代表已发送电子邮件。)使用局域网传真时,显示从计算机至本机的通信结果。
E:出现通讯错误。
D:通信期间发生断电。未能传送全部传真文件。
用户名
显示发送者的姓名。
文件号
显示文件管理编号。
![]()
对于邮至打印接收,无论实际页面/分辨率如何,页数栏始终打印“P.1”,而通讯模式栏则始终打印表示标准分辨率的“S”。
显示在“对方”下的信息可能是机器本身的通讯簿中注册的传真号码或名称,也可能是对方注册的传真号码或名称,具体取决于您设置的优先顺序。有关为日志信息的项目设置优先顺序的详细信息,请与服务代表联系。