Se não for possível executar um trabalho, é provável que o equipamento esteja a ser solicitado por outra função.
Antes de tentar novamente, aguarde até o trabalho actual estar concluído. Em alguns casos, pode realizar outro trabalho utilizando uma função diferente durante a execução do trabalho actual. Esta capacidade de executar várias funções em simultâneo chama-se "acesso múltiplo".
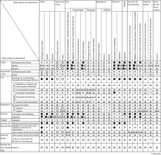
Tabela de Combinações
Compatibilidade de Funções
A tabela mostra a compatibilidade de funções quando a prioridade de impressão está definida para [Intercalar]. Para obter mais informações sobre a Prioridade impressão, consulte a Referência de Rede e de Definições de Sistema.
: São possíveis operações simultâneas.
: A operação é activada quando a respectiva tecla de função é premida e a comutação remota (do scanner/extensão externa) é efectuada.
: A operação é activada quando a tecla [Interromper] é premida para interromper a operação anterior.
: A operação é efectuada automaticamente assim que a operação anterior termina.
: A operação deve ser iniciada assim que a operação anterior terminar. (Não são possíveis operações simultâneas.)

*1 As operações simultâneas apenas são possíveis depois dos documentos do trabalho anterior terem sido lidos na totalidade e aparecer a tecla [Novo Trab.].
*2 Pode ler um documento depois dos documentos do trabalho anterior terem sido lidos.
*3 A operação é possível quando adicionar linhas adicionais.
*4 Durante a agrafagem, a impressão começa automaticamente a seguir ao trabalho actual.
*5 A agrafagem não está disponível.
*6 É possível efectuar operações simultâneas depois de premir a tecla [Novo Trab.].
*7 Durante a recepção paralela, qualquer trabalho subsequente é suspenso até que a recepção esteja concluída.
![]()
Não é possível utilizar a agrafagem em simultâneo para várias funções.
Se forem possíveis operações simultâneas, especifique a função que deverá ter prioridade em "Prioridade impressão". A predefinição é "Modo de visualização". Para obter informações sobre a prioridade de impressão, consulte a Referência de Rede e de Definições de Sistema.
Quando a bandeja interna 2 ou a bandeja direita estiver instalada, pode especificar a bandeja de saída para onde os documentos devem ser ejectados. Para obter informações sobre as definições de bandeja de saída, consulte a Referência de Rede e de Definições de Sistema.
Enquanto a impressão estiver a decorrer, a leitura de um documento efectuada através de outra função poderá demorar mais tempo.