![]() ![]() | ![]() | ||
In questa sezione vengono illustrati gli elementi stampati sul Giornale.

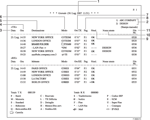
Data di stampa
Indica la data e l'ora in cui il rapporto è stato stampato.
Testata fax programmata
Indica il nome mittente programmato per la stampa.
Data
Indica la data di trasmissione o ricezione.
Ora
Indica l'ora di inizio di trasmissione o ricezione.
Apparecchio ricevente
Per destinazioni fax
Visualizza il nome (per la visualizzazione) programmato sull'altro apparecchio.
Mostra il numero di fax programmato se non è stato programmato il nome (per la visualizzazione). Il numero di fax potrebbe non essere mostrato in funzione delle impostazioni del mittente.
Se non sono stati programmati né il numero né il nome, durante la trasmissione verrà visualizzato un numero di fax immesso o un nome programmato nella Lista destinazioni.
Per destinazioni Internet Fax/e-mail
Al momento della trasmissione, viene visualizzato l'indirizzo e-mail o il nome programmato nella lista destinazioni. Alla ricezione, viene visualizzato l'indirizzo e-mail del mittente.
Durante la trasmissione circolare, viene visualizzato il numero di destinazioni dopo gli indirizzi e-mail o i nomi delle destinazioni.
Se i documenti vengono trasmessi dal computer al dispositivo, viene visualizzato "--LAN-Fax -->". Per verificare l'invio dei documenti al destinatario, confermare lo stesso nr. file.
Per destinazioni IP-Fax
Indica la destinazione IP-Fax o il nome programmato nella lista destinazioni. Nel rapporto di ricezione appaiono i dettagli della destinazione fax.
Per destinazioni cartella
Indica il nome programmato nella lista destinazioni.
Modo comunicazione
Per trasmissioni e ricezioni fax
Dopo il tipo di linea la "T" per i fax in uscita o la "R" per i fax in entrata, il modo di comunicazione è indicato in lettere dell'alfabeto o simboli. Se è installata l'unità di interfaccia G3 extra opzionale, apparirà "G3-1", "G3-2" o "G3-3".
Per trasmissioni e ricezioni Internet Fax/e-mail
Dopo
(contrassegno e-mai), la "T" per le e-mail in uscita o la "R" per le e-mail in entrata, la modalità di comunicazione viene indicata con lettere dell'alfabeto o simboli. I documenti inviati da destinazioni Internet Fax vengono ricevuti da Internet Fax e i documenti inviati da destinazioni e-mail vengono ricevuti da Posta da stampare. La "Q" indica un'e-mail in uscita per la quale è stata impostata una notifica di ricezione in "Modo TX", mentre una "A" indica un'e-mail di notifica della ricezione.
Per trasmissioni e ricezioni IP-Fax
Dopo
(contrassegno IP-Fax), la "T" per i fax in uscita o "R" per i fax in entrata, viene indicata la modalità di comunicazione mediante lettere dell'alfabeto o simboli.
Per destinazioni cartella
Dopo
(contrassegno cartella) e "T" per i fax in uscita, viene indicato il modo di comunicazione con lettere dell'alfabeto o simboli.
Durata della comunicazione
Indica il tempo impiegato per le trasmissioni e le ricezioni.
Numero di pagine
Indica il numero di pagine trasmesse o ricevute.
Risultato comunicazione
Indica il risultato di trasmissioni o ricezioni.
OK: Tutte le pagine sono state trasmesse o ricevute correttamente. Quando è attivata la Notifica ricezione con il "Modo TX", viene visualizzata la Notifica ricezione. I risultati dei documenti ricevuti e instradati sono preceduti da "
".
--: Il documento Internet Fax è stato inviato al server di posta programmato in questo apparecchio. (Ciò non significa tuttavia che il messaggio di posta elettronica è stato recapitato). Se si utilizza la funzione LAN-Fax, è possibile visualizzare i risultati delle comunicazioni inviate da un computer a questa macchina.
Errore: si è verificato un errore di comunicazione.
D: L'alimentazione è stata interrotta durante la comunicazione. Non tutti i documenti fax sono stati trasmessi.
Nome utente
Viene visualizzato il nome del mittente.
Numero file
Indica i numeri gestione file.
![]()
Per la ricezione Mail to Print, viene sempre stampato "P.1" nella colonna relativa ai numeri di pagina, mentre una "S", che indica la risoluzione Standard, viene sempre stampata nella colonna relativa alla modalità di comunicazione indipendentemente dalla pagina/risoluzione effettiva.
Per assegnare la priorità ad un numero fax o al nome programmato nella lista destinazioni, rivolgersi al Centro di Assistenza.