![]() ![]() | ![]() | ||
Esta sección explica los elementos impresos en el Resumen.

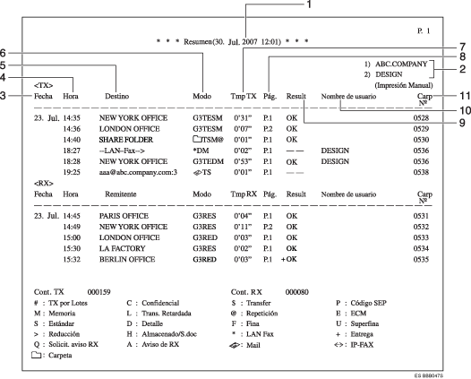
Fecha de impresión
Muestra la fecha y la hora en que se imprimió el informe.
Encabezado de fax programado
Muestra el nombre del remitente registrado para la impresión.
Date (Fecha)
Muestra la fecha de la transmisión o recepción.
Hora
Muestra la hora de inicio de la transmisión o de la recepción.
Destino
Para destinos de fax
Muestra el nombre (para su visualización) registrado en el otro extremo.
Muestra el número de fax programado si el nombre (para visualizar) no se ha programado. En función de los ajustes del remitente es posible que el número de fax no se muestre.
Si en el otro extremo no se ha registrado el nombre ni el número de fax, se mostrará un número de fax introducido o un nombre registrado en una lista de destinos para las transmisiones.
Para destinos de Internet Fax/E-mail
En el momento de la transmisión, muestra la dirección de correo electrónico o el nombre programado en la lista de destinos. En el momento de la recepción, muestra la dirección de e-mail del remitente.
En el momento de la transmisión simultánea, muestra el número de destinos después de las direcciones de correo electrónico o los nombres del destino.
Cuando los documentos se transmiten del ordenador a la máquina, aparece "--LAN-Fax -->". Para comprobar que los documentos se envían al receptor, confirme el mismo número de archivo.
Para destinos de IP-Fax
Muestra el destino de IP-Fax o el nombre programado en la lista de destinos. Los detalles del destino de fax aparecen en el informe de recepción.
Para destinos de carpeta
Muestra el nombre programado en la lista de destinos.
Modo de comunicación
Para transmisiones de fax
Detrás de un tipo de línea, "T" para faxes salientes o "R" para faxes entrantes, aparece el modo de comunicación con letras del alfabeto o símbolos. Si la unidad de interface opcional G3 extra está instalada, aparecerá "G3-1", "G3-2" o "G3-3".
Para transmisiones y recepciones de Internet Fax/E-mail
Después de
(marca de e-mail), "T" para e-mail saliente o "R" para e-mail entrante, aparece el modo de comunicación con letras del alfabeto o símbolos. Los documentos enviados desde un destino de Internet Fax se reciben por Internet Fax y los enviados desde destinos de e-mail se reciben por Correo para imprimir. "Q" indica el e-mail saliente para el que se ha establecido una Notificación de recepción en "Modo TX" y "A" indica un e-mail de notificación de recepción.
Para transmisiones y recepciones de IP-Fax
Después de
(marca de IP-Fax), "T" para los faxes salientes o "R" para los faxes entrantes, aparece el modo de comunicación con letras o símbolos.
Para destinos de carpeta
Después de
(marca de carpeta) y "T" para faxes salientes, el modo de comunicación aparece con letras o símbolos.
Tiempo de conexión
Muestra el tiempo empleado en las transmisiones o recepciones.
Número de páginas
Muestra el número de páginas transmitidas o recibidas.
Resultado de la comunicación
Muestra el resultado de las transmisiones o recepciones.
OK: Todas las páginas se han transmitido o recibido correctamente. Cuando Notificación de recepción se ha activado mediante "Modo TX", aparece dicha Notificación de recepción. Los resultados de los documentos recibidos que se han enrutado van precedidos de "
".
--: El documento de Internet Fax o e-mail se ha enviado al servidor de correo programado en esta máquina. (No obstante, esto no significa que se haya entregado el e-mail.) Cuando se utiliza LAN-Fax, se muestran los resultados de comunicación de un ordenador a esta máquina.
E: Se ha producido un error de comunicación.
D: Se interrumpió la alimentación durante la comunicación. No se han transmitido todos los documentos de fax.
Nombre de usuario
Muestra el nombre del remitente.
Número de archivo
Muestra los números de administración de archivos.
![]()
Para la recepción de Correo para imprimir, siempre se imprime "P.1" en la columna del número de páginas y "S", que indica la Resolución estándar, siempre se imprime en la columna del modo de comunicación independientemente de la resolución/página actual.
Para dar prioridad a un número de fax o a un nombre registrado en la lista de destinos, contacte con un representante del servicio técnico.