In diesem Abschnitt werden die im Journal gedruckten Elemente erläutert.

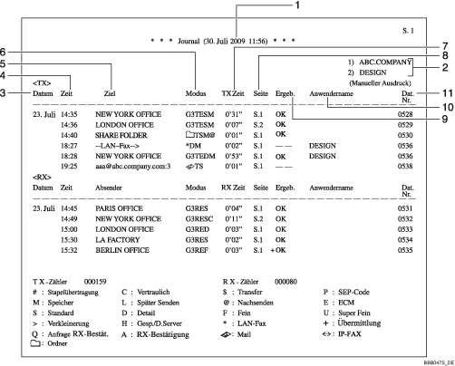
Druckdatum
Zeigt an, an welchem Tag und zu welcher Zeit der Bericht gedruckt wurde.
Programmierter Fax-Header
Zeigt den für den Ausdruck programmierten Absendernamen an.
Datum
Zeigt das Datum für die Sende- oder Empfangsvorgänge an.
Zeit
Zeigt die Startzeit für die Sende- oder Empfangsvorgänge an.
Gegenstation
Für Faxziele
Zeigt den Namen (für das Display) an, der in der Gegenstation programmiert ist.
Zeigt die programmierte Faxnummer, wenn der Name (zur Anzeige) nicht programmiert wurde. Abhängig von den Einstellungen des Absenders wird die Faxnummer nicht angezeigt.
Ist weder der Name noch die Faxnummer in der Gegenstation programmiert, wird bei Sendevorgängen die eingegebene Faxnummer oder ein in einer Zielliste programmierter Name angezeigt.
Für Internet-Fax/E-Mail-Ziele
Beim Senden werden die in der Zielliste programmierten E-Mail-Adressen oder Namen angezeigt. Beim Empfang wird die E-Mail-Adresse des Absenders angezeigt.
Beim Rundsenden wird die Anzahl der Ziele nach den E-Mail-Adressen oder Namen der Ziele angezeigt.
Wenn Dokumente vom Computer an das Gerät gesendet werden, erscheint "--LAN-Fax -->". Um überprüfen zu können, ob die Dokumente an den Empfänger gesendet werden, muss sichergestellt sein, dass die gleiche Dateinummer vorhanden ist.
Für IP-Faxziele
Zeigt das IP-Faxziel oder den in der Zielliste programmierten Namen an. Die Faxzieleinzelheiten erscheinen im Empfangsbericht.
Für Ordnerziele
Zeigt den Namen an, der in der Zielliste programmiert ist.
Kommunikationsmodus
Für Faxsende- und Faxempfangsvorgänge
Nach dem Leitungstyp wird der Kommunikationsmodus mit Hilfe von Buchstaben und Symbolen sowie den Buchstaben "T" für abgehende Faxe bzw. "R" für eingehende Faxe angezeigt. Wenn die zusätzliche optionale G3-Schnittstelleneinheit installiert ist, erscheinen "G3-1", "G3-2" oder "G3-3".
Für Internet-Fax/E-Mail-Sende- und -Empfangsvorgänge
Der Kommunikationsmodus wird mithilfe von Buchstaben und Symbolen nach dem Symbol
(E-Mail-Markierung) sowie den Buchstaben "T" für abgehende Faxe bzw. "R" für eingehende Faxe angezeigt. Dokumente, die von Internet-Faxzielen gesendet werden, werden per Internet-Fax empfangen, und Dokumente, die von E-Mail-Zielen gesendet werden, werden per Mail an Druck empfangen. "Q" kennzeichnet abgehende E-Mails, für die eine Empfangsbenachrichtigung unter "TX-Modus" festgelegt wurde, während "A" Empfangsbenachrichtigungs-E-Mails kennzeichnet.
Für IP-Faxsende- und -Faxempfangsvorgänge
Der Kommunikationsmodus wird mithilfe von Buchstaben und Symbolen nach dem Symbol
(IP-Fax-Markierung) sowie den Buchstaben "T" für abgehende Faxe bzw. "R" für eingehende Faxe angezeigt.
Für Ordnerziele
Der Kommunikationsmodus wird mithilfe von Buchstaben und Symbolen nach dem Symbol
(Ordner-Markierung) sowie den Buchstaben "T" für abgehende Faxe angezeigt.
Kommunikationsdauer
Zeigt die Dauer der Sende- oder Empfangsvorgänge an.
Seitenzahl
Zeigt die Anzahl der gesendeten oder empfangenen Seiten an.
Kommunikationsergebnis
Zeigt das Ergebnis der Sende- oder Empfangsvorgänge an.
OK: Alle Seiten wurden ordnungsgemäß gesendet oder empfangen. Wenn über "TX-Modus" die Empfangsbenachrichtigung aktiviert wurde, wird die Empfangsbenachrichtigung angezeigt. Vor Ergebnissen der empfangenen Dokumente, die weitergeleitet wurden, erscheint ein "
".
--: Das Internet-Fax oder das E-Mail-Dokument wurde an den in diesem Gerät programmierten Mailserver gesendet. (Dies bedeutet aber nicht, dass die E-Mail zugestellt wurde.) Bei der Verwendung des LAN-Fax werden die Ergebnisse der Kommunikation eines Computers mit diesem Gerät angezeigt.
E: Ein Kommunikationsfehler ist aufgetreten.
D: Während der Kommunikation wurde die Stromversorgung unterbrochen. Es wurden nicht alle Faxdokumente übertragen.
Anwendername
Zeigt den Namen des Absenders.
Dateinummer
Zeigt die Dateiverwaltungsnummern an.
![]()
Beim Mail-an-Druck-Empfang wird immer "P.1" in der Spalte Anzahl der Seiten ausgedruckt, und "S", was für die Standardauflösung steht, wird immer in der Kommunikationsmodus-Spalte ausgedruckt, unabhängig von der tatsächlichen Seitenzahl/Auslösung.
Wenn Sie die Faxnummern bzw. die in der Zielliste programmierten Namen priorisieren wollen, wenden Sie sich an Ihren Kundendienst.