![]() ![]() | ![]() | ||
Wenn Sie einen Job nicht ausführen können, wird das Gerät möglicherweise von einer anderen Funktion verwendet.
Warten Sie, bis der aktuelle Job ausgeführt wurde, bevor Sie einen erneuten Versuch unternehmen. In bestimmten Fällen können Sie mit Hilfe einer anderen Funktion einen anderen Job ausführen, während der aktuelle Job ausgeführt wird. Die gleichzeitige Ausführung mehrerer Funktionen auf diese Weise wird als "Mehrfachzugriff" bezeichnet.
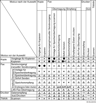
Kombinationstabelle
Kompatibilität der Funktionen
: Gleichzeitige Vorgänge sind möglich.
: Der Vorgang wird aktiviert, wenn die betreffende Funktionstaste gedrückt wird und die Fernumschaltung (des Scanners/der externen Erweiterung) erfolgt ist.
: Der Vorgang wird automatisch ausgeführt, sobald der vorherige Vorgang beendet ist.
: Der Vorgang muss gestartet werden, nachdem der vorherige Vorgang abgeschlossen wurde. (Gleichzeitige Vorgänge sind nicht möglich.)

*1 Sie können ein weiteres Dokument einscannen, nachdem alle vorherigen Jobdokumente eingescannt wurden.
*2 Während des parallelen Empfangsvorgangs werden nachfolgende Jobs ausgesetzt, bis der Empfangsvorgang abgeschlossen ist.
![]()
Wenn das Gerät mehrere Funktionen gleichzeitig ausführen kann, müssen Sie in "Prio. Drucken" festlegen, welche Funktion Priorität hat. Die Werkseinstellung hier lautet "Modus anzeigen". Einzelheiten zur Druckpriorität finden Sie im Handbuch Netzwerk- und Systemeinstellungen.
Wenn das optionale Magazin am Gerät installiert ist, können Sie das Ausgabefach zur Ausgabe der Dokumente festlegen. Einzelheiten zu den Ausgabefacheinstellungen finden Sie in der Netzwerkanleitung und in den Systemeinstellungen.
Während des Druckvorgangs kann das Einscannen eines Dokuments über eine andere Funktion mehr Zeit in Anspruch nehmen.