![]() ![]() | ![]() | ||
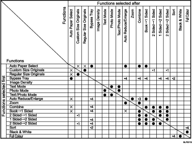
The combination chart given below shows which modes can be used together.
Blank: These modes can be used together.
×: These modes cannot be used together. The first mode selected will be the mode you are working in.
: These modes cannot be used together. The second mode selected will be the mode you are working in.
The following shows the combinations of functions:

*1 A function incompatibility message appears if the original you have set is 2-sided or exceeds 433 mm (17 inches). Copying is not possible until one of the functions is disabled.
*2 A function incompatibility message appears if you load a sheet that exceeds 432 mm (17 inches). Copying is not possible until one of the functions is disabled.
*3 Enabled by the second mode selected.
*4 A function incompatibility message appears if you select two conflicting functions. Copying is not possible until one of the functions is disabled.