Este capítulo explica os itens impressos no jornal.

Data de impressão
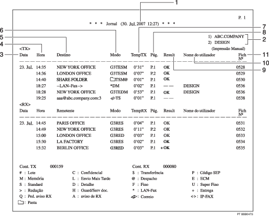
Indica a data e a hora quando o relatório foi impresso.
Cabeçalho do fax programado
Indica o nome de remetente programado para impressão.
Data
Indica a data de transmissão ou recepção.
Hora
Indica a data de início de transmissão ou recepção.
Destinatário
Para destinos de fax
Indica o nome (a visualizar) programado pelo destinatário.
Indica o número de fax programado, se o nome (a visualizar) não foi programado.
Se nem o nome nem o número de fax foi programado pelo destinatário, aparece um número de fax introduzido ou um nome programado numa lista de destinos para transmissões.
Para destinos de Internet Fax/e-mail
Durante a transmissão, apresenta o nome ou endereço de e-mail programado na lista de destinos. No momento da recepção, apresenta o endereço de e-mail do remetente.
Durante a transmissão por difusão, apresenta o número de destinos segundo os endereços de e-mail ou nomes de destinos.
Quando os documentos são transmitidos do computador para o equipamento, surge "--LAN-Fax -->". Para verificar se os documentos são enviados para o destinatário, confirme o mesmo Número de Ficheiro.
Para destinos de IP-Fax
Apresenta o nome ou destino de IP-Fax programado na lista de destinos. Os detalhes do destino de fax surgem no relatório de recepção.
Para destinos de pasta
Apresenta o nome programado na lista de destinos.
Modo Comunicação
Para transmissões de fax e recepções
A seguir a tipo de linha, "T" para faxes enviados ou "R" para faxes recebidos e o modo de comunicação surgem em letras alfabéticas ou em símbolos. Se estiver instalada a unidade de interface 3 extra opcional, surge "G3-1", "G3-2" ou "G3-3".
Para transmissões e recepções de Internet Fax/e-mail
A seguir a
(símbolo de e-mail), "T" para faxes enviados ou "R" para faxes recebidos e o modo de comunicação surgem em letras alfabéticas ou em símbolos. Os documentos enviados de destinos de Internet Fax são recebidos por Internet Fax e os documentos enviados de destinos de e-mail são recebidos por Correio a Imprimir. "Q" indica o e-mail enviado para o qual está definido um Aviso de Recepção em "Modo TX"; por sua vez, "A" indica um e-mail de aviso de recepção.
Para transmissões e recepções de IP-Fax
A seguir a
(símbolo de IP-Fax) "T" para faxes enviados ou "R" para faxes recebidos e o modo de comunicação surgem em letras alfabéticas ou em símbolos.
Para destinos de pasta
A seguir a
(símbolo de pasta) e a "T" para faxes enviados, surge o modo de comunicação em letras do alfabeto ou em símbolos.
Tempo de comunicação
Indica o tempo que as transmissões ou as recepções demoraram.
Número de páginas
Indica o número de páginas transmitidas ou recebidas.
Resultado da comunicação
Indica o resultado das transmissões ou recepções.
OK: Todas as páginas foram correctamente transmitidas ou recebidas. Quando o Aviso de Recepção é activado utilizando "Modo TX", é apresentada uma confirmação do Aviso de Recepção. Os resultados dos documentos recebidos sujeitos a routing são precedidos por "
".
--: O documento de Internet Fax ou e-mail foi enviado para o servidor de mail programado neste equipamento. (No entanto, isto não significa que o e-mail foi entregue.) Quando utilizar LAN-Fax, são apresentados os resultados da comunicação de um computador para este equipamento.
E: Ocorreu um erro de comunicação.
D: A corrente foi desligada durante a comunicação. Não foram transmitidos todos os documentos de fax.
Nome do utilizador
Apresenta o nome do remetente.
Número do ficheiro
Indica os números de gestão de ficheiros.
![]()
Para a recepção Correio a Imprimir, é sempre impresso "P.1" na coluna do número de páginas e "S", que indica a resolução Standard, é sempre impresso na coluna do modo de comunicação (independentemente da resolução/página em concreto).
Para dar prioridade a um número de fax ou a um nome programado na lista de destinos, contacte o seu representante de assistência técnica.